

| 滑台型号 | G2-A4040 | G2-A4060 | G2-A6050 | G2-A6075 | G2-A60100 | G2-A60125 | ||
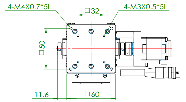
| 台面尺寸(mm) | 40x40 | 40x40 | 60x60 | 60x60 | 60x60 | 60x60 | ||
| 移动行程( ° ) | ±8 | ±6 | ±10 | ±8 | ±6 | ±5 | ||
| 轨道形式 | 交叉滚子 | |||||||
| 材质/表处 | 6061T651 / 阳极黑色喷砂 | |||||||
| 本体重量(kg) | 0.4 | 0.5 | ||||||
| 出线方式 | 左/右 | |||||||
| 静负荷(kgf) | 3 | 5 | ||||||
| 减速比 | 1/240 | 1/225 | 1/160 | 1/225 | 1/292 | 1/360 | ||
| 中心高(mm) | 40±0.2 | 60±0.2 | 50±0.2 | 75±0.2 | 100±0.2 | 125±0.2 | ||
| 平台高度(mm) | 20±0.2 | |||||||
| 重复精度( ° ) | ±0.05 | |||||||
| 最高速度( ° /sec) | 25 | 27 | 38 | 27 | 21 | 17 | ||
| 电机(type) | 28L31 | 28L40 | 28L31 | 28L40 | 28L51 | |||
| 解析度 | 二相分辨率 ( ° ) | 全步 | 0.0075 | 0.008 | 0.0113 | 0.008 | 0.0062 | 0.005 |
| ×5细分 | 0.0015 | 0.0016 | 0.00225 | 0.0016 | 0.00123 | 0.001 | ||
| 五相分辨率 ( ° ) | 全步 | 0.003 | 0.0032 | 0.0045 | 0.0032 | 0.0025 | 0.002 | |
| 半步 | 0.0015 | 0.0016 | 0.00225 | 0.0016 | 0.00123 | 0.001 | ||
※ 以上规格条件为: 平台水平置放。






