N1-Y6015-L—精密直线电动滑台

高精密定位传动装置,广泛应用于自动化各个细分行业领域、光学行业设备领域以及科研院校的研究,是一种高精度的自动式微调滑台。

产品材质采用具有最高硬度和韧性的马氏体型不锈钢,表面处理采用无电解镀镍工艺,从材质和表处方面进一步保证产品的使用刚性和耐用性。

产品标配可选二相步进电机和五相步进电机,并可根据实际应用场景对产品的扭矩、精度、速度的差异性需求选配最为适合的步进电机、步进式伺服电机。对于垂直式安装应用的环境,建议选装刹车元件,保证产品垂直负荷运动的稳定性能和精度。



13597870.png


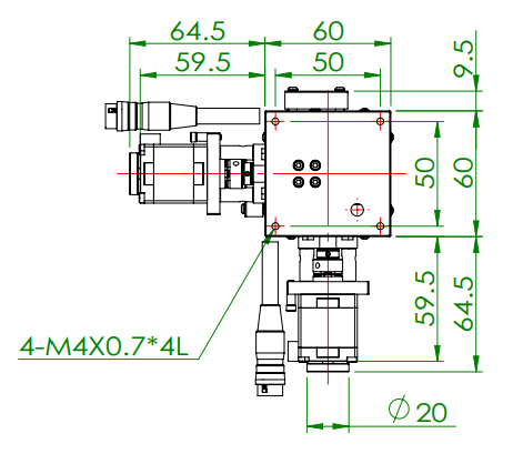
图纸

13597877.png

13597878.png

13597879.png

13597885.png