N4-W7025-L—精密直线电动滑台

高精密定位传动装置,广泛应用于自动化各个细分行业领域、光学行业设备领域以及科研院校的研究,是一种高精度的自动式微调滑台。

产品材质采用加工性能极佳加工后不变形的抗腐蚀高强度的6061T651铝合金,保证产品的质量稳定性同时实现轻量化降低产品自身重量。轨道方式采用交叉滚子滑轨具有极佳的径向受力性能。

产品标配可选二相步进电机和五相步进电机,并可根据实际应用场景对产品的扭矩、精度、速度的差异性需求选配最为适合的步进电机、步进式伺服电机。

对于垂直式安装应用的环境,建议选装刹车元件,保证产品垂直负荷运动的稳定性能和精度。



99f4a263635cf71273a98978c20c391b_13608168.png


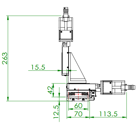
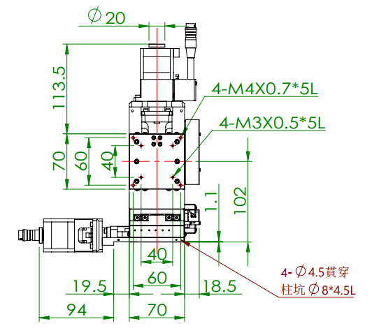
图纸

ede02478e91b88948d271c255fc886b0_13608169.png

3eecc5469c1caae580421201bc180436_13608172.png

5f960ee83196ea0d02df8383ecd91968_13608173.png

06f3e1d77c3d51d4abf2cb8642762afe_13608175.png