N4-Z12050-R—精密直线电动滑台

高精密定位传动装置,广泛应用于自动化各个细分行业领域、光学行业设备领域以及科研院校的研究,是一种高精度的自动式微调滑台。

产品材质采用加工性能极佳加工后不变形的抗腐蚀高强度的6061T651铝合金,保证产品的质量稳定性同时实现轻量化降低产品自身重量。轨道方式采用交叉滚子滑轨具有极佳的径向受力性能。

产品标配可选二相步进电机和五相步进电机,并可根据实际应用场景对产品的扭矩、精度、速度的差异性需求选配最为适合的步进电机、步进式伺服电机。

对于垂直式安装应用的环境,建议选装刹车元件,保证产品垂直负荷运动的稳定性能和精度。



8abbdb91a00cc83afdfe34ede842ac17_13608006.png


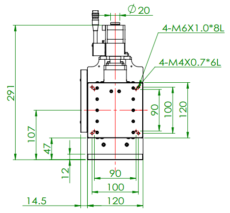
图纸

49b4d09118e390be997792cc15306a48_13608007.png

4648090946a1c227003a31629b9f2ce1_13608020.png

0d00b2e9354224137c6bd2da26d512cc_13608022.png

acd13ee27e2b9e5fea9134f6b2235b00_13608023.png