N4-Z8030-R—精密直线电动滑

高精密定位传动装置,广泛应用于自动化各个细分行业领域、光学行业设备领域以及科研院校的研究,是一种高精度的自动式微调滑台。

产品材质采用加工性能极佳加工后不变形的抗腐蚀高强度的6061T651铝合金,保证产品的质量稳定性同时实现轻量化降低产品自身重量。轨道方式采用交叉滚子滑轨具有极佳的径向受力性能。

产品标配可选二相步进电机和五相步进电机,并可根据实际应用场景对产品的扭矩、精度、速度的差异性需求选配最为适合的步进电机、步进式伺服电机。

对于垂直式安装应用的环境,建议选装刹车元件,保证产品垂直负荷运动的稳定性能和精度。


769dcfdcd84e9ecce729da83b9d8debf_13607079.png


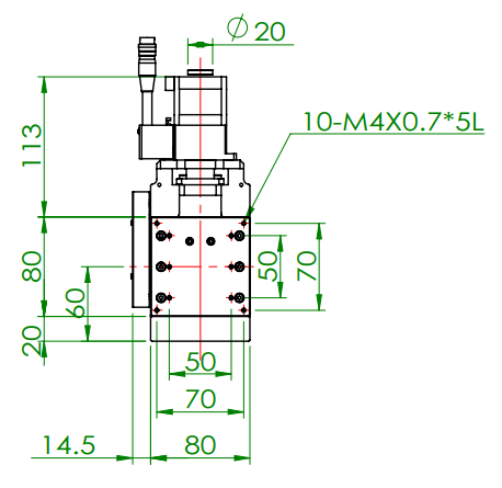
图纸

87c70f3c6721d24ca743baf243669422_13607181.png

1fc85f2852787190ff03b7eb554f351e_13607190.png

fd7c441b93979d6d9660e0101017e9df_13607208.png

5d45e524f65df4f7f0caf4691bf74241_13607217.png