N4-Y10040-R—精密直线电动滑台

高精密定位传动装置,广泛应用于自动化各个细分行业领域、光学行业设备领域以及科研院校的研究,是一种高精度的自动式微调滑台。

产品材质采用加工性能极佳加工后不变形的抗腐蚀高强度的6061T651铝合金,保证产品的质量稳定性同时实现轻量化降低产品自身重量。轨道方式采用交叉滚子滑轨具有极佳的径向受力性能。

产品标配可选二相步进电机和五相步进电机,并可根据实际应用场景对产品的扭矩、精度、速度的差异性需求选配最为适合的步进电机、步进式伺服电机。

对于垂直式安装应用的环境,建议选装刹车元件,保证产品垂直负荷运动的稳定性能和精度。



4afff8404b0acdb551524c86cf6e11fa_13605951.png


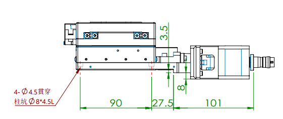
图纸

659d1f6d88743f305362fdd8eb8d8580_13605953.png

3c790aa0b83f3888ba63661816ae7aaa_13605954.png

1f33e898fa5290604ce766b97cc83195_13605957.png

ab5a42f2ea8505c26cb9be5b09e4f260_13605958.png