THL800

芝浦机械全球战略型SCARA 机器人是基于低成本、轻重量和节能的理念开发的。
除了拥有非常有吸引力的低价格外,此环保型SCARA 机器人与同系列的其他机器人相比,拥有重量轻和节能高达50% 的特点。


机器人基本参数


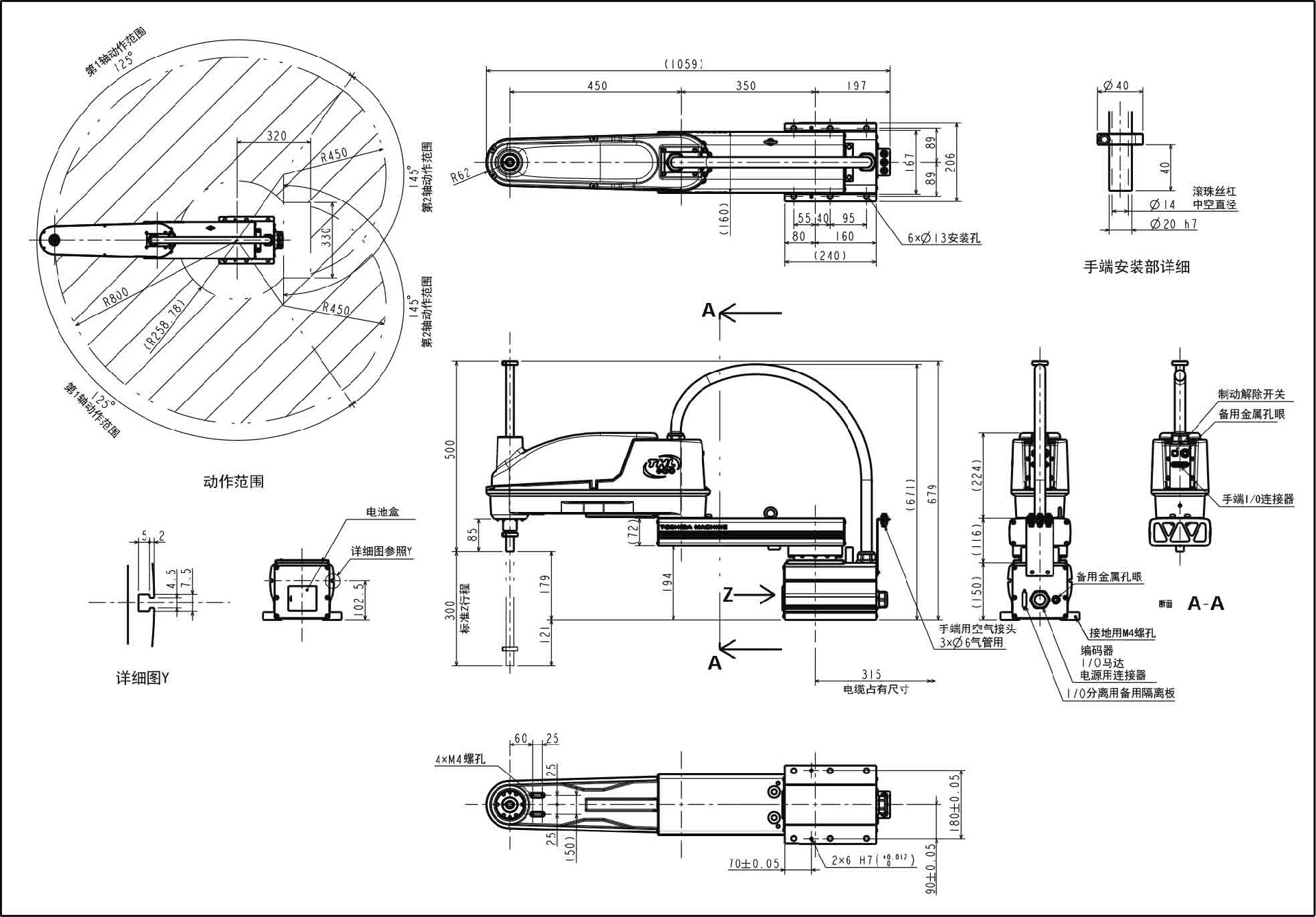
机器人外形图

详细介绍

汽车行业:汽车零部件的安装,搬运,分拣以及毛刺处理,机床上下料处理;
3C行业:高精度部件的安装,搬运,分拣,组装;
医疗行业:用于药品搬运,装盘托载,码盘等;
通讯设备:搭载视觉系统用于成产零部件的定位,检测,分拣等