30年专注
精密工程技术服务
全国服务热线
180-1925-7386
东芝机械全球战略型SCARA 机器人是基于低成本、轻重量和节能的理念开发的。除了拥有非常有吸引力的低价格外,此环保型SCARA 机器人与同系列的其他机器人相比,拥有重量轻和节能高达50% 的特点
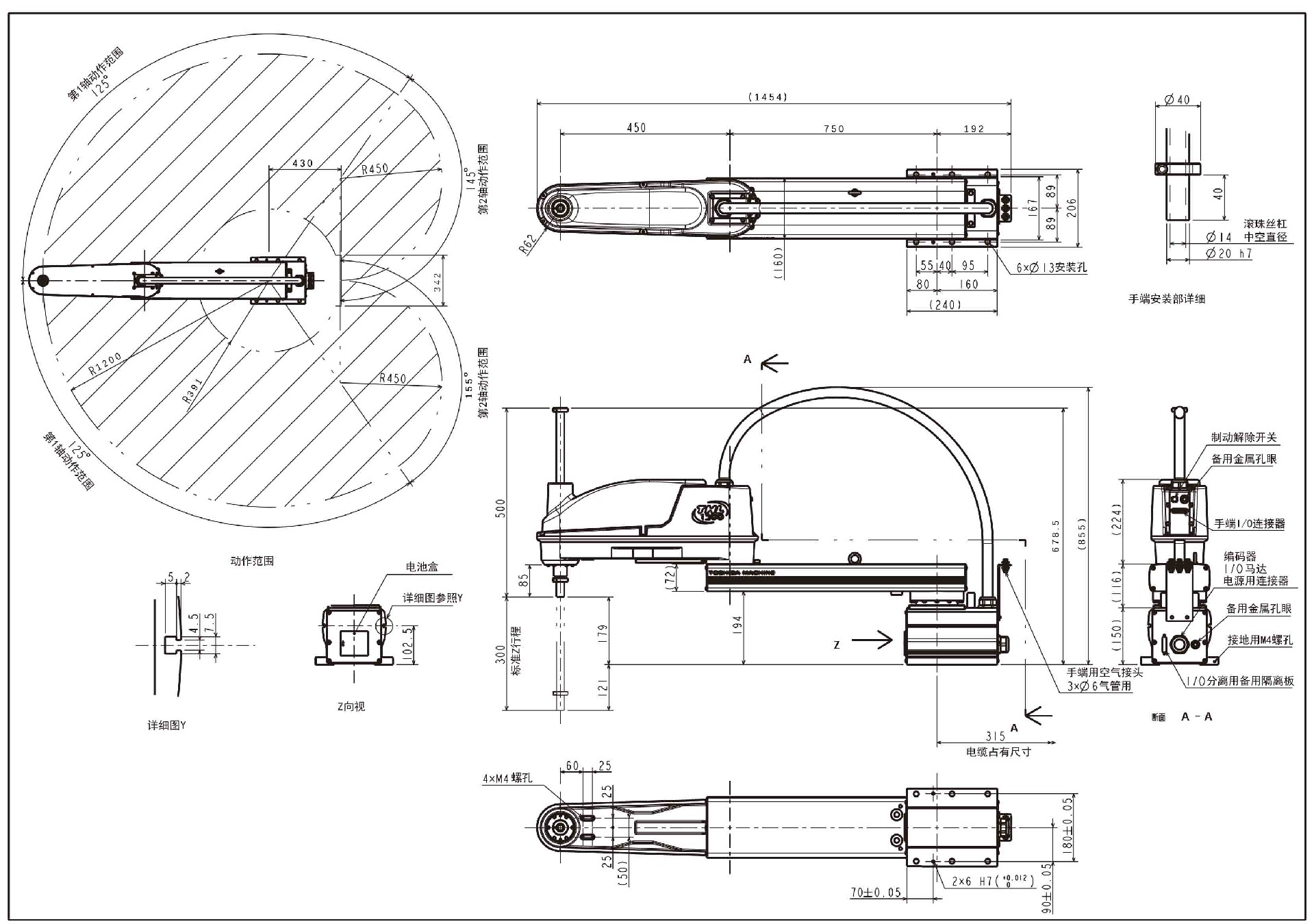
机器人基本参数机器人外形图
详细介绍
汽车行业:汽车零部件的安装,搬运,分拣以及毛刺处理,机床上下料处理;3C行业:高精度部件的安装,搬运,分拣,组装;医疗行业:用于药品搬运,装盘托载,码盘等;通讯设备:搭载视觉系统用于成产零部件的定位,检测,分拣等
电话:13611646249
手机:13817365405
邮箱:master@tendyu.cn
地址:上海市松江区莘砖公路258号39号楼309室
Copyright © 2023 上海天钰机电设备有限公司 版权所有. 沪ICP备19002360号-1
技术支持:丰搜信息