| 产品编号 |
常用扭矩 (N.m) |
最大扭矩 (N.m) |
最高回转数 (min-1) |
惯性 (kg.㎡) |
容许偏心量 (mm) |
容许角偏差 (°) |
容许轴向位差 (mm) |
质量 (g) |
| MFX-16 | 0.5 | 1.0 | 39000 | 2.8 x 10-7 | 0.05 | 0.5° | ±0.1 | 7.0 |
| MFX-19 | 1.0 | 2.0 | 33000 | 6.2 x 10-7 | 0.05 | 0.5° | ±0.1 | 11.0 |
| MFX-24 | 1.5 | 3.0 | 26000 | 2.0 x 10-6 | 0.05 | 0.5° | ±0.1 | 23.0 |
| MFX-29 | 2.0 | 4.0 | 21000 | 5.2 x 10-6 | 0.05 | 0.5° | ±0.1 | 40.0 |
| MFX-34 | 3.0 | 6.0 | 18000 | 1.1 x 10-5 | 0.05 | 0.5° | ±0.1 | 62.0 |
| MFX-39 | 6.0 | 12.0 | 16000 | 2.2 x 10-5 | 0.05 | 0.5° | ±0.1 | 93.0 |
| MFX-44 | 9.0 | 18.0 | 14000 | 4.1 x 10-5 | 0.05 | 0.5° | ±0.1 | 137.0 |
* 最大孔径时惯性矩
** 最大孔径时质量
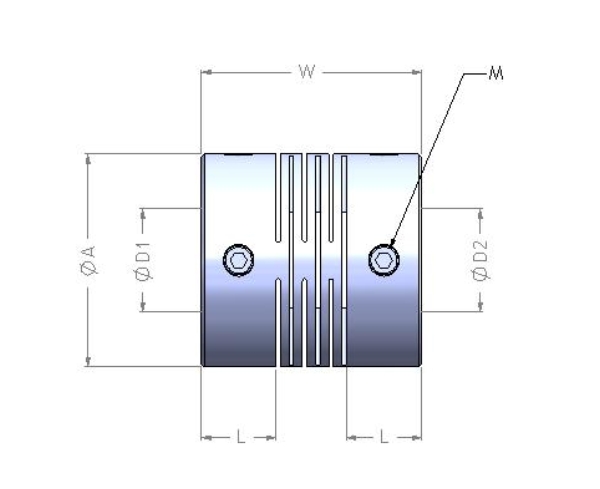
| Unit:mm |
| 产品编号 | A | L | W |
标准孔径 D1 x D2 (公差 H8) Min D1 |
标准孔径 D1 x D2 (公差 H8) Max D2 |
M |
| MFX-16 | 16 | 6 | 17.4 | 4 | 8 | 4-M3 |
| MFX-19 | 19 | 6.8 | 20 | 5 | 10 | 4-M3 |
| MFX-24 | 24 | 8.5 | 25 | 5 | 12 | 4-M4 |
| MFX-29 | 29 | 10.2 | 30 | 6 | 14 | 4-M4 |
| MFX-34 | 34 | 12 | 35 | 8 | 18 | 4-M5 |
| MFX-39 | 39 | 13.5 | 40 | 10 | 20 | 4-M5 |
| MFX-44 | 44 | 15.5 | 45 | 12 | 22 | 4-M6 |